Call me back | My basket | Checkout | Add to email list

     You are here: Website » Knowledge base

« back to website

MovementSensors / SteeringAngle

Steering Angle Sensor

A high quality "string extension potentiometer" which senses the distance that the wire is pulled from the sensor body. Ideal for sensing steering angle. With relatively non-critical alignment requirements, compact size, and ease of installation wire rope actuated transducers are the linear measurement system of choice.

Technical Data
Input impedance 1000 ±10% Ω
Maximum excitation voltage (AC or DC) 25 v
Output impedance 0-1000 Ω
Linearity +-0.5% Full scale
Operating temperature -15 to +60 °C
Extension 635mm


Installation

There are 3 leads that come from the sensor: the red lead should be attached to the +5v supply from the Data Logger Units, the black lead should be connected to the ground connection on the Data Logger Units and the white lead should be connected to an analogue input. A user defined variable can be entered into the analysis software to convert the voltage into an actual angle if required.


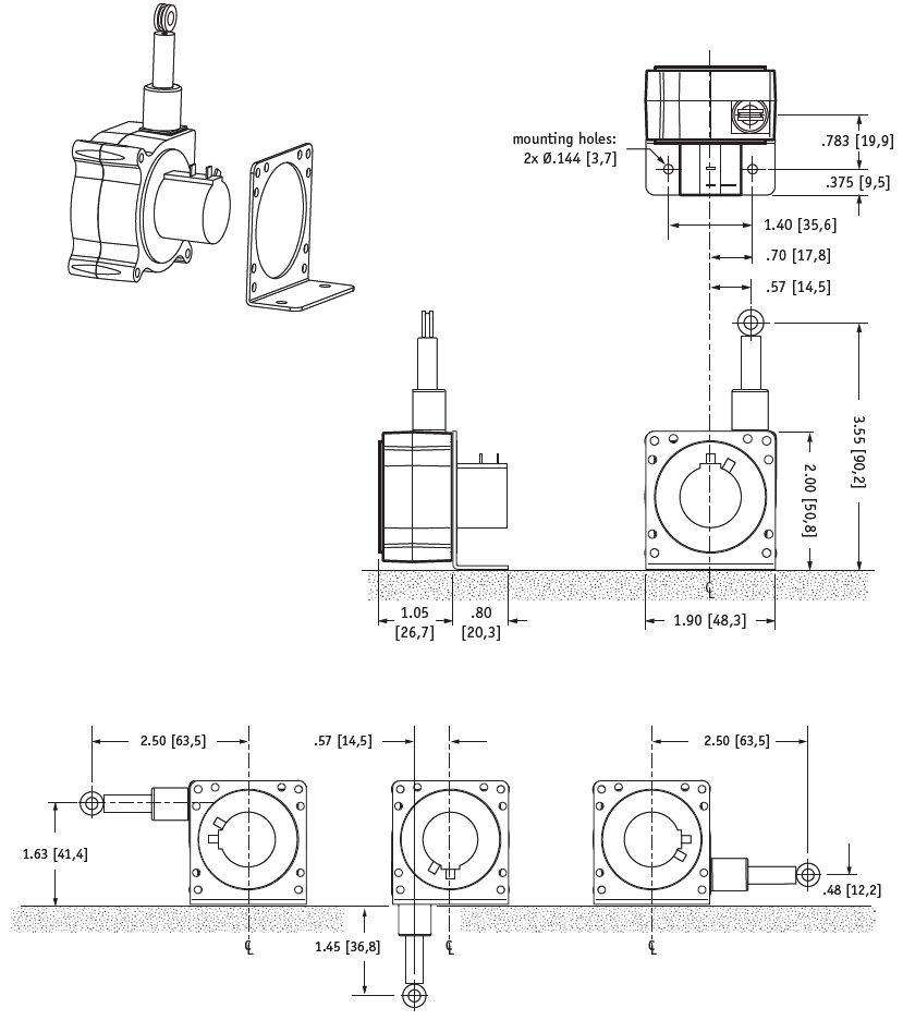
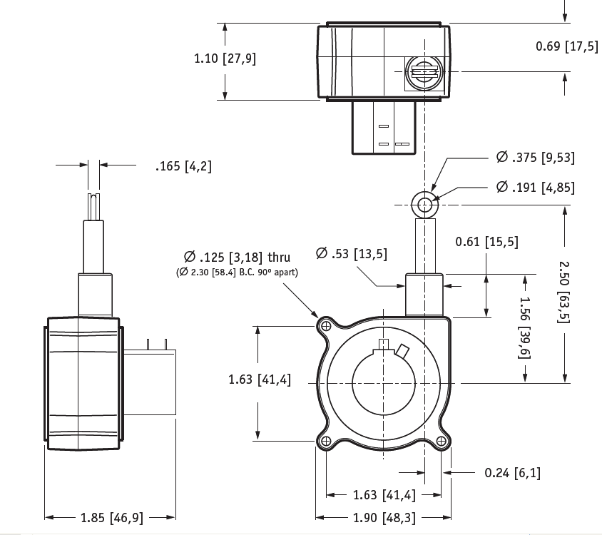
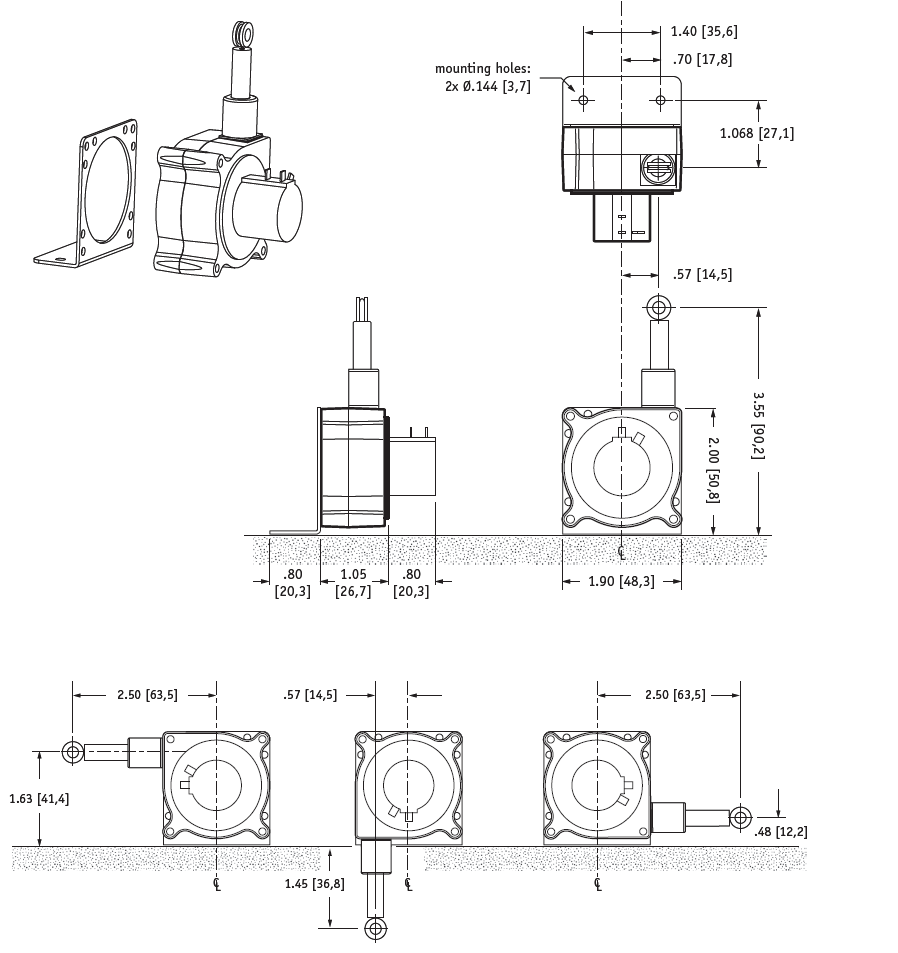
Outline Drawing (Without Bracket):

All dimensions are in inches [millimeters]

Electrical connection:



Mounting options:



Page last modified on November 01, 2012, at 07:37 AM